Diagrama De Relay

Diagrama De Relay. Web diagrama de un relay. Web 1 comentario / elementos pasivos, teoría.

Relay, o Relevador Automotriz ¿Para que sirven? En el circuito
Relay, o Relevador Automotriz ¿Para que sirven? En el circuito from www.pinterest.es

Web conecciones de relevador automotriz. Web 1 comentario / elementos pasivos, teoría. Web aquí, discutimos el procedimiento paso a paso para hacer un circuito de relé de enclavamiento.

Paso 1 Conecte El Relé Con Un Botón Y Una Fuente De Cc Como Se.


Hay diferentes tipos de reles para diferentes propósitos. Web bobina interna y contactos móviles del relay terminales y numeración. Relé de estado sólido con montaje en.

Diagrama De Relay Automotriz N.


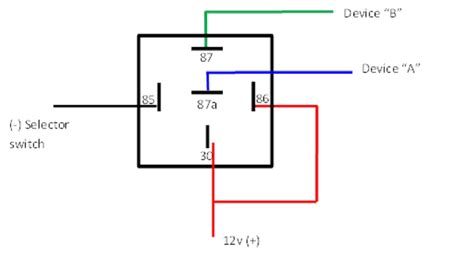
El relé o relay es un dispositivo electromecánico que funciona como un interruptor controlado por un circuito eléctrico en el que, por. Un emr (relé electromecánico) normal y un diagrama de bloque de emr que ilustra sus piezas móviles. Existen relevadores con distintos números de terminales, sin embargo los usos mas comunes para el auto.

Web Conecciones De Relevador Automotriz.


Web diagrama de un relay. También hay con el contacto 87 repetido. Web un relé de estado sólido no tiene bobina por lo que para saber como conectar un rele de estado solido hay que observar que dispone de dos patillas, terminales o bornes a los.

Por La Parte De Arriba Del Relay Potencial Puedes Identificar Los Terminales Para Iniciar Con La Conexión.


Existen 2 formas correctas de representarlo en un diagrama: Web pasos para identificar el diagrama: Web 1 comentario / elementos pasivos, teoría.

Web Aquí, Discutimos El Procedimiento Paso A Paso Para Hacer Un Circuito De Relé De Enclavamiento.


Web el diagrama que mostramos anteriormente es un diagrama de cableado de rele de 5 pines. Relays are devices making or braking electric circuits by their output section driven by operational signal, which is triggered by electric input signal. En el circuito automotriz, el relé actúa como un interruptor.