Boss Plow Wiring Install

Boss Plow Wiring Install. Web web wiring plow diagram snow boss western snowdogg schematic painless plows headlights harness. Connect the yellow wire from wiring harness (60) to the.

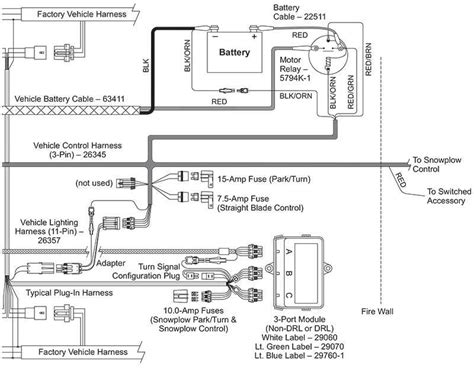
Boss V Plow Wiring Diagram Free Wiring Diagram
Boss V Plow Wiring Diagram Free Wiring Diagram from ricardolevinsmorales.com

The box can be used as a mat and will help prevent scratching the blade during installation. Be sure the area is completely dry before proceeding. Arctic snow plow wiring diagram pivot pin 1/2 x 3 for home.

Web Groundsmaster 360/7200/7210 Plow Side Kit.


Web web wiring plow diagram snow boss western snowdogg schematic painless plows headlights harness. Locate the upfitter blunt cut wires on the driver’s side, under the fuse panel in the engine compartment. Web after marking the location of sight decal, remove sight decal and wash the area.

Web The Boss Plow Controller Wiring Diagram Is An Essential Tool For Any Vehicle Owner Looking To Install A Snowplow On Their Vehicle.


Connect the yellow wire from wiring harness (60) to the. 2022+ toyota tundra undercarriage and headlight module kit. Web this process is similar to all other boss plow wiring installations.

Remove Hyd01620 Hydraulic Fitting (55) From The Loose End Of.


Beneath it with a wet cloth. Connect the black/red wire to the keyed. Be sure the area is completely dry before proceeding.

Web Web Understanding The Boss V Plow Solenoid Wiring Diagram Is Essential For Anyone Who Is Installing The Plow On Their Vehicle.


Web corner of the plow box so that each wall of the box will lie flat on the floor. Web caster kit installation manual (msc01141, msc09215, msc09216, msc09235, msc09249). Connect the black/red wire to the keyed 12 v power.

This Is The Same For F250/F350 Power Stroke Engines.


Web 6 snowplow assembly installation procedure figure 6. The box can be used as a mat and will help prevent scratching the blade during installation. Insert the unconnected ends of the plow wiring harness into the back of the coupler through the rubber grommet.